最大工作壓力指入口最大允許壓力,額定工作壓力指工作壓差不應同時在最大轉速和最大壓力下使用馬達,最大工作條件允許持續的時間為6秒推薦用油: 抗磨液壓油,粘度37~73cst,油液清潔度ISO18/13最高工作油溫80°C
該系列馬達采用特殊的進口軸密封組件,馬達允許的最大背壓可達 10 MPa ,但為獲 得良好 的壽命及綜合機械性能,推薦使用背壓不要超過 5 MPa,超過時建議接外泄油管接外泄管時,應保證馬達內總能充滿油,外泄管路應有一定的節流保持3.5bar以上的背壓接外泄油管除可以保持較低的背壓外,還可 以使馬達內產生的磨損污染帶走,并可產生一定的冷卻作用。
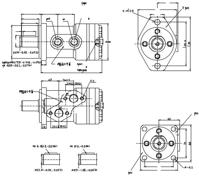
面向輸出軸,當A口進油B口回油,馬達順時針旋轉
Add:中國-濟寧-國家高新技術產業開發區山博路8號
Tel:400-086-1276
E-Mail:service#wolwa.cn(將#換成@)

官方微信二維碼
Copyright Right ? 2005 www.kangweier.com Powered By 沃爾華集團有限公司 魯ICP備10206551號